68000 hardware - interfacing, vectored interrupts

Although the 68000 is internally a 32-bit processor, externally it is only 16-bit. Thus the data bus has 16 connections and all transfers to and from memory occur in 16-bit chunks. The addresses, however are in terms of bytes to maintain compatibility with 8-bit interface devices. Thus address $000000 refers to byte 0 in memory and address $000001 refers to byte 1. A normal read on location $000000 will read both bytes in one memory read cycle. All instruction addresses must start on an even address and will be multiples of 16 bits. Since two bytes are always read the address bus does not have address line A0 but are special control lines UDS and LDS which can be used to select upper and lower data bytes.

The 6809 has a synchronous bus transfer mechanism which leads to simple system design but means that the whole system runs at the rate of the slowest devices. Synchronous means that transfers are controlled by a clock and that devices must be able to generate or receive data within a clock period. If a device takes longer than a clock period to respond then the system will not work. All devices in the system are therefore chosen to have similar access times. In a 68000 system access times can vary thus allowing greater flexibility in system design. for example very fast, high-cost memory can be used where access is frequent while cheaper slower memory can be used for infrequently accessed areas. To enable this to work the 68000 has an asynchronous bus.

The asynchronous bus works using two control signals. If we take a memory write cycle as an example; the processor sets R/W low to indicate a write cycle, sets the address on the address bus and the data on the data bus. The AS (address strobe) goes low to indicate valid data on the address bus. The processor then waits for a low signal on DTACK (data transfer acknowledge) which is generated at by the memory device when it has received and latched the data. The processor proceeds on the following clock pulse. A transfer like this can take anything from 4 clock cycles upwards depending on the speed of the memory.

This type of bus arrangement has many advantages in terms of speed but it increases the complexity of the system because there are more control signals and memory has to generate the acknowledge signal. There is also a problem which arises when an invalid address is output i.e. one where no memory is present. In a 6809 system the data lines float high and the value $FF is read. In 68000 system no DTACK will be generated and so the processor will wait indefinitely. Clearly this cannot be allowed to happen and so a 'watchdog' timer must be included which monitors the length of time that elapses before DTACK is generated. If no DTACK appears for, say, 10 ms then a BERR (bus error) signal is sent to the processor. This is effectively an interrupt which has its own restart address and allows the monitor program or operating system to take appropriate action such as generating an error message. Again this makes the system more complex but has the added advantage that this situation is detected where in a 6809 system it would not be.

UDS and LDS

For standard, asynchronous, bus cycles the upper and lower data strobes are connected to byte-wide memory devices as shown below. This allows word or byte accesses to take place.

Hardware compatibility with 8-bit devices

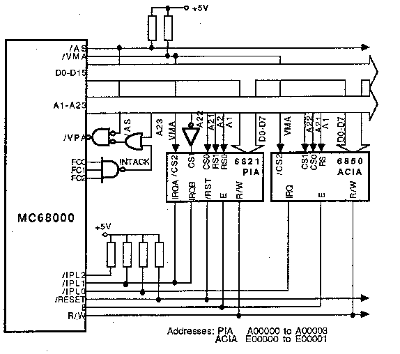
The 68000 designers made no attempt to maintain software compatibility with earlier 6800 designs. However, 6800 peripheral devices (PIAs and ACIAs etc.) which are synchronous can be used with the 68000 asynchronous bus.

An E signal is continuously generated by the 68000, which does the same job as the E signal of the 6809. Since 6800 peripherals do not generate DTACK, a 6800-type bus cycle is timed with respect to the E signal instead.

How does the 68000 know when to execute a 6800-type cycle?

Address decoding is used to reserve some memory locations for synchronous devices. When an address in this range is used by the 68000, the address decoder sends a VPA (valid peripheral address) signal to the 68000 which causes it to synchronise with the E signal.

Since the E signal is continuously generated, it can be in any phase with the instruction execution cycle. Therefore, when VPA is asserted, the 68000 waits until the E signal is high and then goes low - marking the start of the E clock cycle.

Thereafter, wait states (SW) are inserted by the 68000 until the end of the E clock cycle, when the 68000 cycle terminates in the usual (asynchronous) way.

The address decoding can be as simple as in the diagram below, where synchronous peripherals are addressed when A23 is high.

Vectored Interrupts

The 68000 has 8 interrupt levels (encoded onto 3 pins, IPL0-IPL2) but these are primarily for the purpose of allowing interrupt priorities to be supported.

The use of a single IRQ interrupt input in 8-bit processors means that several interrupting devices need to share the one interrupt service routine (ISR). There will be a delay while the processor determines which device caused the interrupt (by polling), before the interrupt request is handled.

This delay would be a significant problem in an interrupt-bound system (such as a Unix machine). Therefore, if the processor can be informed which device caused the interrupt, it can go directly to the appropriate ISR.

This could be achieved if many IRQ inputs were provided, but this is extravagant. Instead, an interrupting device could place (on request) a code on the data bus which identifies it as the source of the interrupt and the processor can then go directly to the ISR for this device.

For the 68000, interrupting devices provide a number (from 64 to 255) which is multiplied by 4 and becomes the address (00000100-000003FC, see table below) at which an interrupt vector is stored.

Most 68000-type peripherals have a register in which this vector number can be stored.

Should the system programmer forget to initialise this register, a value of $0F is entered by default (by the internal logic of the peripheral itself) when a RESET is given.

A vector number of $0F maps to the Uninitialised Interrupt Vector TRAP in the table below.

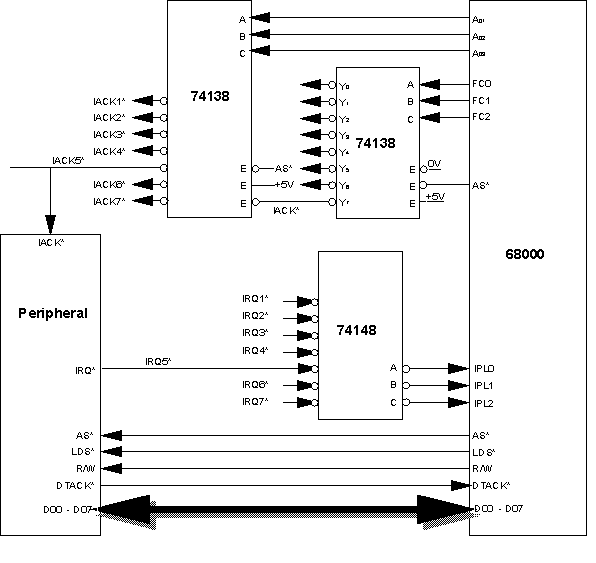
In the example shown, a peripheral device is connected to IRQ5.

When an interrupt is generated by this device, the 74148 priority encoder outputs a value of 5 ("1 0 1") assuming no higher interrupts are active. The 68000 recognises this code on the interrupt pins, IPL0-2.

At the end of the current instruction, the 68000 enters the interrupt acknowledge cycle by placing "1 1 1" on the function code pins and gives the interrupt level to which it is responding on A1-3.

On receiving the IACK signal from the decoder, the peripheral device returns the contents of its interrupt vector register to the 68000.

This allows the 68000 to jump directly to the Interrupt Service Routine for this peripheral device and to service the interrupt.

 

 

 

 

For devices which cannot generate interrupt vectors (e.g. 6800 synchronous peripherals), the VPA pin is used to signal to the 68000 during an interrupt acknowledge cycle that an autovectored interrupt is required. In other words, the 68000 must provide a different interrupt vector for each of the interrupt levels (1-7) as in the table below.

Exception vector assignments in the 68000
NumberAddress (hex)Cause
0
1
2
4
4
5
6
7
8
9
10
11
12
13
14
15
16-23
24
25
26
27
28
29
30
31
32-47
48-54
55
56-58
59-63
64-255
00000000
00000004
00000008
0000000C
00000010
00000014
00000018
0000001C
00000020
00000024
00000028
0000002C
00000030
00000034
00000038
0000003C
00000040
00000060
00000064
00000068
0000006C
00000070
00000074
00000078
0000007C
00000080-000000BC
000000C0-000000D8
000000DC
000000E0-000000E8
000000EC-000000FC
00000100-000003FC
Reset (initial SSP)
Reset (initial PC)
Bus error
Address error
Illegal instructions and BKPT
Zero divide
CHK2, CHK instructions
cpTRAPcc, TRAPcc, TRAPV instructions
Privilege violation
Trace
Unimplemented instruction (line 1010)
Unimplemented instruction (line 1111)
Unassigned, reserved
Coprocessor protocol violation
Format error
Uninitialized interrupt vector
Unassigned, reserved
Spurious interrupt
Level 1 autovector
Level 2 autovector
Level 3 autovector
Level 4 autovector
Level 5 autovector
Level 6 autovector
Level 7 autovector
TRAP #0-15 instructions
Floating-point coprocessor errors
Unassigned, reserved
Memory management unit errors
Unassigned, reserved
User device interrupts


Back