Microprocessors Lecture 9

Counters and Shift Registers

The 6522 timers are similar to those found on purpose-made counter-timer (CTC) chips.

There are 2 x 16-bit timers (TIMER 1 and TIMER 2). These operate by being preset to the required count and then they count DOWN to zero.

A flag is set when zero is reached. This may cause an interrupt if the respective enable bits are set.

The counters have two parts, the counter (T1C) and its latch (T1L).

Timer 1

Since our 8-bit microprocessor can only load one half of the counter at a time and since two successive writes may be around 10 microseconds apart, then there would be problems in setting the counter to a precise value as it is usually decrementing all the time.

So a mode is provided where the latch may be written without affecting the counter.

In this way, T1L-L (the low order 8-bits of the latch) is written first. Then when T1L-H is written to, T1C-H is simultaneously loaded and T1C-L is loaded from T1L-L (mode 0101). Thus a 16-bit parallel load of the counter is achieved.

Loading the latches only

In another mode, the latches may be written to at any time without disturbing the counter.

When the counter reaches zero, it can automatically reload itself with the value held in the latches.

Timer 1 options

These are set from the Auxiliary Control Register (ACR) bits ACR6 and ACR7.

When Timer 1 reaches zero, it sets the flag IFR6 and this will generate an interrupt if IER6 is also set.

At this point, the timer may be disabled (i.e. generates no further interrupts) or it may reload itself from the latches and continue to decrement. This option may be used to generate equally spaced interrupts (e.g. for use as a real-time clock).

Also, each time Timer 1 reaches zero, PB7 may be programmed to change state. This can be used to generate a clock signal on PB7.

Timer 2

This operates in a 'one-shot' mode only (i.e. not continuous) and is controlled by ACR5.
	ACR5 = 0;	interval timer, interrupt on reaching zero
	ACR5 = 1;	uses PB6 as a clock input and decrements
			on each negative transition with an
			interrupt on reaching zero.

Shift Register

This can perform a shift-in of serial data arriving on CB2 or a shift-out of data, also using CB2.
In each case, an interrupt is generated after 8 shifts. The shift register is controlled by ACR2,3 & 4.

The shift clock has three possible sources:
(a) Timer 2 timeout
(b) system clock (E)
(c) external clock on CB1

Example of PIA use

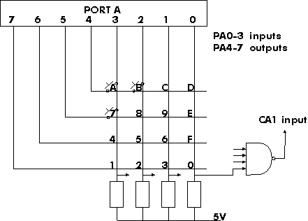
This example shows the use of the PIA as a 4 x 4 keypad using push-switches which make connections at the intersections of a switch matrix.
With no keys pressed, normally PA0-3 are at a '1' state due to the pull-up resistors. Thus a READ of PORT A would give $F on the lowest 4 bits.

If PA4-7 are set to zero, then any key pressed in the matrix will pull the corresponding input line LOW
i.e. a READ from PORT A will no longer give $F on the lowest 4 bits. In addition, with the NAND gate shown, any key pressed will cause an interrupt to be generated via CA1 input. This will alert the microprocessor to read Port A to determine which switch has been pressed.

e.g. if switch '8' is pressed,
PORT A reads 00001011 = $0B

This tells us that a key has been pressed and in this case, it is one of the keys in column '2'.

Generally, more than one key may have been pressed and more than one column may read as zero.

To identify the exact key (or keys) pressed, we must poll the individual rows of the matrix.

e.g. writing 0111 to PA7-4, polls keys 1,2,3,0
If any of these keys are pressed, PA3-0 does not read '1111'.

Then if 1011 is written to PA7-4, keys 4,5,6,F are polled,
when 1101 is written to PA7-4, keys 7,8,9,E are polled
and finally when 1110 is written to PA7-4, keys A,B,C,D are polled.

In our example for switch '8', when PA7-4 contains 1101 then PA3-0 reads as 1011. The code in Port A (11011011) identifies that key '8' is pressed. A look-up table will normally be used to convert this number into a meaningful key number. This is preferred to a series of CMP and BRANCH instructions.

There are practical problems not dealt with here. For example, switch bounce is a real problem. It is normal, when a key has been identified as being pressed, to generate a software delay and to read the key again to reduce the effects of noise.


Back